Заклепка с внутр. резьбой М6 НЕРЖ-ЦБ Bralo
0303106009
Колоночное заполнение
| Сортировать по Цена | Сортировать по Доступность | Сортировать по Артикул | Сортировать по Внутренняя резьба |
|---|---|---|---|
|
Свяжитесь с нами насчёт цены
|
Комплектация 1-3 дня*
|
0303106009
|
Внутренняя резьба:
|
|
Свяжитесь с нами насчёт цены
|
Комплектация 1-3 дня*
|
0303104006
|
Внутренняя резьба:
|
|
Свяжитесь с нами насчёт цены
|
Комплектация 1-3 дня*
|
0303105007
|
Внутренняя резьба:
|
|
Свяжитесь с нами насчёт цены
|
Комплектация 1-3 дня*
|
0303108011
|
Внутренняя резьба:
|
СПЕЦИАЛЬНЫЕ ЦЕНЫ ДЛЯ ОПТОВЫХ КЛИЕНТОВ
-
Комплектуем объекты. Расчет заявок — zakaz@werkman.ru
-
Скидки строительным и производственным компаниям
-
Минимальный заказ от 500 р.
-
Указанные на сайте цены и условия поставки не являются публичной офертой — статья 437 ГК РФ
ВАРИАНТЫ ДОСТАВКИ
Способы доставки:
-
Доставка в ПВЗ Яндекса (доставка до адреса)Подходит для не больших заказов — получение в пунктах выдачи Яндекс, опция курьерской доставки до дверей (если доступна).
-
Доставка Деловыми линиями и ТК Возовоз (для габаритных заказов)Крупногабаритные и тяжёлые грузы мы отправляем транспортными компаниями — сроки и стоимость рассчитываются менеджером.
-
Самовывоз со склада в Санкт-ПетербургеСамовывоз возможен по предварительному согласованию — время выдачи уточняйте у менеджера.
Войдите в учётную запись, чтобы мы могли сообщить вам об ответе
- Все о товаре
- Характеристики
- Описание
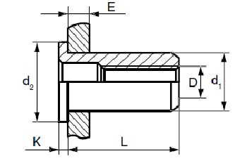
Заклепка с внутр. резьбой М6 НЕРЖ-ЦБ Bralo характеристики
Диаметр сверла, мм
9,1
Производитель
Bralo
Разрыв, kH
10.650
Срез, kH
6.141
Технические характеристики изделия
Материал
Нержавеющая сталь А2
Характеристики заклепок
Внешний диаметр гильзы, d1 мм
8,9
Внутренняя резьба
М6
Диаметр и толщина бортика, мм
13,0 x 1,5
Длина гильзы, L мм
14,5
Тип бортика
Цилиндрический бортик
Толщина пакета материалов E, мм
0,5–3,0
Заклепка с внутр. резьбой М6 НЕРЖ-ЦБ Bralo описание
Свойства
- Коррозионная устойчивость соединения
- Высокая скорость монтажа
- Высокая технологичность крепления
- Возможна установка на готовое изделие
- Установка на тонкий материал
- Материал: нержавеющая сталь А2
Применение
- Холодильное и пищевое оборудование, рамки номерных знаков, медицинская мебель
Отзывы
Отзывы не найдены